A ESS possui infraestrutura e pessoal qualificados para a elaboração de projetos nas diversas áreas da indústria, desenvolvendo de maneira integrada a melhor solução para as necessidades dos seus clientes.
Nossos projetos são flexíveis, podendo contemplar desde o estudo de layout e viabilidade do projeto até os editais de concorrência para licitação e contratação da execução.
Com o sistema On-line de gestão de documentos da ESS, o cliente pode acessar a qualquer momento todos os documentos do projeto e através da ferramenta de aprovação é possivel validar ou solicitar alterações no documento antes da aprovação final. Todo o time de projeto será notificado via e-mail sobre qualquer ação, e ao final, os documentos aprovados estarão disponíveis para download.
• Layout básico;
• Fluxogramas de Processos;
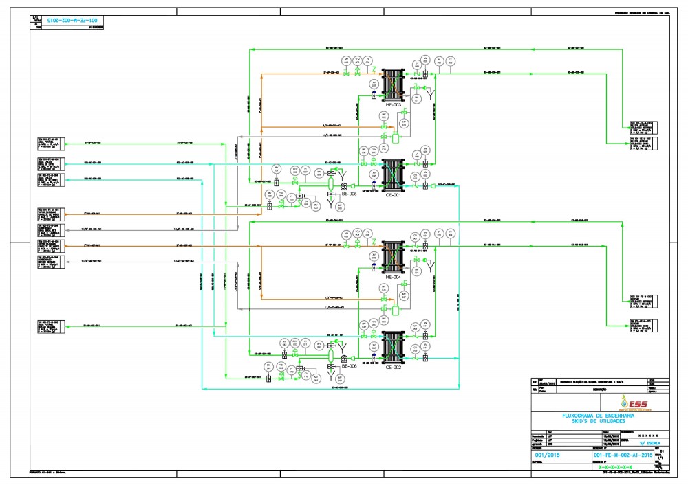
• Fluxogramas de Utilidades Industriais;
• Cálculos e dimensionamentos;
• Folhas de Dados;
• Especificação técnica de materiais;
• Levantamentos de custos para formação da proposta “Budget”.
• Layout definitivo;
• Fluxogramas de Processos;
• Fluxogramas de Utilidades Industriais;
• Cálculos e dimensionamentos;
• Folhas de Dados;
• Especificação técnica de materiais;
• Desenvolvimento do projeto tridimensional;
• Plantas de Tubulações;
• Isométricos de Linhas;
• Desenhos mecânicos de montagem;
• Listas de materiais, componentes e instrumentos;
• Memoriais descritivos para contratação de mão de obra para execução.
